Как-то раз мне в голову закралась идея.
Вот есть телеграфный трансивер Pixie, где оконечный каскад работает на
прием как смеситель, просто подаешь на него питание - в эфир летит
телеграфный сигнал. Никаких переключений цепей антенны и прочего. Можно
модулировать ток подаваемый на каскад, будет АМ.
А что есдли я хочу DSB? Мне нужно пропустить через ключ переменный ток
звуковой частоты, сигнал с нулевой постоянной составляющей. Но
биполярные транзисторы проводят ток в одном направлении. Полевые могут
проводить ток в любом направлении, но в них есть структуры
образующие диод. Варианта два, соединить два биполярных транзистора
встречно - параллельно или полевые встречно-последовательно.
В итоге получим узел, который может работать вч смесителем в обоих
направлениях без переключений, и на передачу преобразовывать большую
мощность.
Плюсы для компактных qrp устройств: усиление мощности просходт на НЧ а
не на ВЧ, никаких переключений вч каскадов и антенной цепи, схема
полностью двунаправленная, надо только подобрать транзисторы с
минимальным сопротивлением открытого канала и раскачать их гетеродном
до полного открытия.
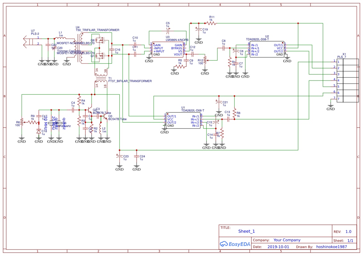
Вот схема такого трансивера на 160 метров (не показан УНЧ приемника, он обычный для ППП), на этот диапазон я ее
построил потому что затворы irf510 имеют большую емкость, и на более
высоких частотах от гетеродина потребуется большая мощность (хотя ее
можно понизить настроив в резонанс цепь затвора)
Вот как оно ловило
Дальше я построил портативный помещающийся в карман DSB трансивер по такой схеме.

Вот как он выглядел, чувствительность была такая же ка и у ППП на этот диапазон, выходная мощность 0,5Вт
Демонстрация работы