У него имеется защита от перезаряда и переразряда
аккумулятора, но все равно он не работал бОльшую часть
этой зимы, так как солнечных дней почти не было, и
установлен он неудачно, освещаясь максимум полдня.
Вот код
А вот схема.
На месте.
Дальше я нацелился на самую высокую точку в радиусе
сотен километров - отвал карьера в Путилово. На одном из
деревьев я сменил уже три радиомаячка, в третьем вроде
учтены все проблемы мешавшие работать. Сейчас работает
маяк на 27.143МГц, в надежном корпусе, солнечной
батареей на 3 ватта и LiFePo батареей 6А\ч.
Последний маяк там собран в корпусе-термосе (для
замедления температурного дрифта)
Антенна настроена прямо на месте установки.
Сообщение маяка (каждые 5 сек передает букву Q, каждые 7
минут полное сообщение с позывным, координатами,
мощностью, типом антенны, высотой над уровнем моря,
состоянием батарей).

Маяк перестал приниматься в марте 2026 года.
PHIFER 4096.
Еще один на 4096, 200мвт от аккума, 400мвт от солнечной
панели, антенна - endfed. Даже слышен на моем
вебсдр по ночам. Надо будет поднастроить антенну и
добавить противовес. Жаль у нас маловато вебсдрок для
контроля.

HIFER
В американских
законах помимо легального вещания малой мощностью на
верхнем краю СВ диапазона LPAM есть лазейка в
законах, которая НЕ ЗАПРЕЩАЕТ излучать в ISM
диапазоне 13.55МГц сигнал с некоторой
напряженностью поля на определенном расстоянии от
устройства. Пересчет напряженности в мощность
излучаемую через диполь дает 2 милливатта
разрешенной мощности передатчика.
Движ как говорится широко популярен в узких кругах,
вплоть до того что на амазоне продаются наборы для
изготовления таких маячков, включающие в себя
прошитый микроконтроллер. Маяки обычно имеют
трехбуквенный позывной передаваемый довольно
медленным морзе-кодом, почти QRSS.
Ну или такое легко собирается из готового КМОП
генератора и ардуины.

Наблюдение за маячками и поиск новых - активная тема
на HFUNDERGROUND
Удачно расположив антенну такого девайса можно
пиликнуть очень далеко. Вот например QRSS маячок
W4DEX и места его приема.
Кстати однажды он добил до АВСТРАЛИИ
У меня тоже недавно дошли руки собрать примерно 10мвт
маяк на 13.556МГц, он передает как маркер три импульса
0.1сек, 0.2сек и 0.3 сек разделенные 0.05 сек паузой с
периодом 3 секунды. Каждые 150 посылок он со скоростью
3wpm передает позывной QTA, локатор, мощность,
напряжения батарей и температуру.
Солнечная панель - 2 ватта, батарея - LiFePo 6000ма/ч
Девайс провисел почти год на балконе, а теперь вывешен
недалеко от поселка, на вершине дерева высотой метров
12, антенна-диполь, изготовленный по размерам, но не
настроенный, один луч направлен на северо-запад, второй
- вертикально вниз. На моем websdr он не слышен,
хотя расположен в 4-х км. Антеннна дополнительно
защищена газовым разрядникром.
Поскольку я не смог обнаружить работу маяка после его
вывешивания то спустя какое-то время букввальн из мусора
быс сконструирован еще один. У меня валялся аттини13,
панель на три ватта, б\у шные банки 18650 и кварц на
13.556МГц.
Прошивку пришлось сильно урезать чтобы она влезла в 1кб
памяти, тем не менее свои задачи по контролю батарей и
заряду она выполняет, телеметрия в виде напряжений
батарей подается длительностью несущей.
Прошивка

Выдает он какие-то милливатты (задающий генератор на
2n2222 и является передатчиком, нагружен на 50 ом,
выдает около 2-3 вольт ВЧ, но мой осциллограф
странновато меряет амплитуду).
ВЧ выход организован как Endfed, чтобы маяк можно было
расположить на самой верхушке дерева и растянуть один
луч антенны вдоль дерева вниз, это сильно удобнее чем
размещать вертикальный диполь на дереве, вешая сам маяк
сильно ниже кроны, или растягивать диполь между тремя
деревьями, затаскивая провод на дерево и пытаясб
протащить его между ветками.
L-цепь посчитана онлайн калькулятором, наладка сводится
к тому что на вход цепляется nanovna или генератор на
заданную частоту и вч-мост, на выход припаивается
резистор 2,5Ком (примерное сопротивление полуволнового
диполя питаемого с конца) , и по минимуму КСВ
подбирается индуктивность.
На 2026 год вывешен маяк примерно на 10 мвт на 13.557
МГц с текстом KO59 и телеметрией - напряжения батарей
передаются длительностью назатий ключа (что-то более
сложное не влезло в килобайт attiny13

Плюс сделан маяк с однокаскадным передатчиком на
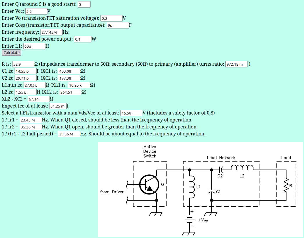
27.149МГц
Передатчик рассчитан калькулятором усилителей класса Е

Чтобы он генерировал между коллектором и базой
впаивается кварц на нужную частоту, и с базы на землю
впаивается конденсатор с реактивным сопротивлением около
50 ом на рабочей частоте. Надо сказать что однокаскадные
передатчики весьма капризны к нагрузке, и желательно их
настраивать нагрузив на рассчетное сопротивление, иначе
будучи подключенным к антенне он может и не загенерить.
У меня в процессе наладки с китайскими кварцами в
зависимости от нагрузки, температуры и напряжения
питания передатчик умудрялся выдавать даже такое.

Пришлось заказать кварцы серии РК, с ними конечно
проявляется сильный чирп при работе передатчика без
антенны, но при нормальной нагрузке сигнал вполне
приличный вне зависимости от напряжения.
Работа с нагрузкой 50ом

Работа без антенны

Также в качестве ключей управляющих передатчиком и
транзистором заряда в этот раз я использовал bs170 с
одной простой целью - полевые транзисторы не потребляют
ток по управляющему электроду, сэкономлен один
миллиампер или около того :)
Смещение на базу транзистора передатчика подается через
параллельный стабилизатор на светодиоде, светодиод тут
выполняет роль и стабилитрона (цветные светодиоды имеют
ВАх похожую на ВАХ стабилитрона с напряжением
стабилизации 1,9-2,5В, а так же поскольку светодиод
стоит между плюсом и минусом только ВЧ генератора,
отключаемым управляющим транзистором он еще и выполняет
роль индикатора передачи.
Технические детали.
Поскольку любая батарея со временем дохнет, то чтобы
передатчик работал хотя бы от солнца я модифицировал
схему заряда, теперь в случае КЗ аккумулятора или
глубокого разряда при включении заряда она не снизит
напряжение на солнечной батарее ниже напряжения
отключения процессора (определяется стабилитроном)
Как основу для всех маяков я использовал скетч
NicoVarg99
Arduino-CW-beacon/beacon.ino
at master · NicoVarg99/Arduino-CW-beacon · GitHub
В принципе если вам нужна простая пиликалка то можно
использовать скетч не меняя.
Но добавив немного обвеса и простого кода можно сделать
устройство интереснее, например заставить контролировать
напряжения аккумулятора. управлять зарядом, измерять
температуру (для этого понадобится один единственный
диод) и измерять еще что-нибудь, буквально что угодно -
у ардуино есть несколько АЦП входов и датчиков можно
навешать огого. Например поставить усилитель с
детектором от антенны и измерять уровень НЧ шума
атмосферы.
CW маяк-автоответчик
Для ардуино есть проект очень простого декодера азбуки
морзе (он кстати используется и в проекте кв-трансивера
USDX) с минимальным обвесом атмеги. Конечно совсем
слабые сигналы он не слышит, но с нормальным уровнем
декодирует адекватно. Я его собирал и устройство вполне
себе рабочее.
ARDUINO
CW decoder (planker.dk)

На основе этого декодера и скетча CW-передатчика я
скомпилил скетч который декодирует CW и отвечает на
принятые команды, маяк-CW robot на ардуинке. Его схема
может выглядеть примерно так
Вот скетч с описанием.
Контроллер радиомаяка на Attiny85.

По разным причинам вместо плат ардуино можно
использовать attiny85. Потребляет она всего миллиампер,
а работает от 1,8 вольт. Ресурсов вполне достаточно для
работы сложной программы с передачей телеметрии о
состоянии батарей и данных с датчика 1-wire ds18b20.
Прошивка
маяка.
При снижении напряжения аккумулятора ниже некоторого
критического (задается в прошивке) заряд аккумулятора
происходит не полным током а через 8% ШИМ (тоже задается
в программе), чтобы батарея не шунтировала сильно
солнечную панель и не просаживала на ней напряжение и не
перезапускала микроконтроллер. Также есть фича передачи
маловажной информации, можно ввести несколько фраз
которые будут передаваться по очереди, например с одним
сообщением передается тип антенны, со следующим - высота
установки, с третьим - мощность, и так по круту.
Контроллер прошивается с помощью ардуины выступающей тут
в качестве программатора. Прошить можно контролллер
впаянный в схему.
В результате множества тестов пришел к минималистичному
и эффективному передатчику. Работает с кварцами от 4096
до 27мгц, нужно только настроить выходной контур (выход
кстати тоже может быть разным, дроссель + п-контур,
контур с индуктивной связью, с отводом, с питанием
end-fed итд).