Я бы посоветовал к sdrкам купить
МШУ, на спиральную антенну витков на 5 он позволит принимать
INMARSAT и IRIDIUM как минимум.
Для приема КВ я бы посоветовал этот балун на миниатюрном
трансформаторе, он дешев и имеет мизерную межобмоточную
емкость
Его стоит доработать удалив перемычку или резистор (есть разные
варианты) соединяющий оплетку кабеля и среднюю точку вторичной
обмотки.
Он эффективно давит помехи потому что спектр помех из сети
неравномерен, максимом приходится на длинные волны и спадает с
ростом частоты. АЧХ сопротивления межобмоточной емкости
трансформатора, которая изолирует антенну от напряжения помех на
оплетке кабеля имеет максимум на низких частотах, а вот
синфазный дроссель а.к.а. "навить кабель на феррите" имеет
обратную характеристику и теряет защитные свойства как раз на
тех частотах где амплитуда помех максимальна.
Спектр низа КВ на антенну длинный луч и балун когда в качестве
земли используется оплетка кабеля
А вот с разорванной перемычкой и землей на арматуре здания.
Также не помешает второй развязывающий трансформатор 1:1 с
минимальной межобмоточной емкостью, чтобы отрезать оплетку
кабеля от напряжения на корпусе ПК и далее наводки этого
напряжения на антенну по воздуху.
Собственно полная схема подавления common mode помех с длинного
луча или диполей выглядит так

Особенность трансформаторов - минимально возможный размер
ферритовых колечек, минимальное количество витков (можно и
поэкспериментировать, возможно одного витка во втором
трансформаторе хватит)
Также замечание: если есть возможность то лучше вывесить два
луча, необязательно одинаковой длины, и подключить входы
трансформатора со схемы выше к лучам такой V-образной антенны,
причина проста - через арматуру здания текут токи от других
заземленных электроустановок , и даже просто наводятся на
проводники заземления магнитными полями создаваемыми проводкой
проложенной в стенах. Так что на клемме заземления уже
присутствует некоторое напряжение помех.
Вот "табличка" вариантов запитки длинных лучей разной длины
поодиночке и вместе, на НЧ, вообще заземление неравномерно на
разных частках добавляет и шум, и уровень сигнала, так что стоит
иметь вариант переключения между диполем и заземленным лучом.
По той же причине (затекание помех по кабелю) при выборе
активных антенн лучше использовать магнитные рамки, та же MLA-30
не требует никаких телодвижений кроме установки за окном чтобы
ловить так же как 8-ми метровый луч. С мини-вип в той же точке
установки мне не удалось принять ничего.
Конечно даже в маленьком поселке уровень помех довольно высок,
вот сравнение сонограмм записанных во время блэкаута (отключения
электричества во всем поселке) и в обычное время
0-10 МГц


10-20Мгц


20-30 МГц

Если вы решили зажмотить (как я) и купить RTL без direct
sampling то можете спаять конвертер кв-укв, его схема проста.

Но для того чтобы сигнал гетеродина не просачивался на
вход приемника и не понижал динамический диапазон стоит
использовать такую схему смесителя
Вот как выглядит платка.
Какую антенну использовать для RTL-SDR на укв? Ну смотрите, у
нас есть тв-тюнер, с соответствующим входным сопротивлением,
работающий в диапазоне тв частот. Почему не использзовать тв
антенну?
Я например на подобную (но без усилителя) принимаю и МКС на
143мгц, и авиа на 108-137мгц, и метеоспутники, и спутники
меридиан на 437мгц, и UHF-SATCOM на 255мгц ходящие на
высотах до 36000км, и ADS-B на 1090мгц ловится хорошо.
Лучше использовать антенну для аналогового тв (они заточены на
широкую полосу, аналоговое тв работало в диапазоне 48-900мгц, и
антенны делались соответствующие ) без усилителя (они в тв
антеннах не особо качественные).
Обращайте внимание на тип антенны, лучше использовать ЛПВА, они
честно перекрывают указанный диапазон частот. Диапазон у ЛПВА
можно определить измерив длины четвертьволновых вибраторов
спереди и сзади, и посчитав частоты которым они соответствуют.
Уда-яги обычно очень узкополосны, но сейчас много продаются
именно их т.к. цифровое тв работает в известных узких полосах
частот.
По дешевым sdr:
RTL-SDR это тв-тюнер для приема DVB-T драйвер которого позволяет
отключать DVB-T декодер и отправлять I/Q поток напрямую в
компьютер.
Работает это примерно так...

Приемник состоит из двух основных микросхем: тюнера (который
может быть разных типов, прямого преобразования или
супергетеродином) и микросхемы АЦП/DSP с двумя входами АЦП, один
из которых используется в режиме Direct sampling.
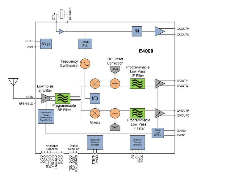
Тюнер R820 это интегральный супергетеродин
Тюнер е4000 (а так же FC0012) - схема прямого преобразования.
Схемы прямого преобразования дают dc-peak по центру спектра.
При приеме в direct sampling вылезают сигналы из второй зоны
найквиста - последствие а: низкой частоты дискретизации ацп в
28мгц и б: решения разработчиков дать возможность пользователям
принимать 14-28мгц.
Так это выглядит на водопаде
R820 имеет перестраиваемые фильтры пч и широкие возможности
управления трактом.
Для приема КВ лучше использовать Upconverter, чтобы
задействовать фильтры тюнера (они уберут сигналы вне полосы
приема которые при работе в режиме Direct sampling действуют на
АЦП и понижают ждинамический диапазон в полосе приема).
У микросхемы rtl2832 есть 8 контактов GPIO которые можно
использовать как для управление чем-либо так и для считывания
логических уровней.
Using
the RTL2832 GPIO port (hamradio.si)
Недавно вышла 4 версия rtl sdr, для приема на кв она использует
уже встроенный конвертер, а переключением антенного входа между
антенной и выходом конвертера занимается встроенный в r828d
коммутатор на три входа. Очевидно это потребует обновленных
extio.dll, но с другой стороны из чипсета наверно выжато все что
можно, и этому приемнику АЦП бы посерьезнее и была бы годная
сдрка.
SDRplay и клоны.
SDRPlay и китайские клоны сделаны на чипсете MSI001 -MSI2500
разработанном для тв-тюнеров в 2006 году.
У RSP1a меняется разрешение АЦП при изменении полосы
обзора
14bit 2MSPS – 6.048MSPS
12bit 6.048MSPS – 8.064MSPS
10bit 8.064MSPS – 9.216MSPS
8bit >9.216MSPS
плюс реальная полоса пропускания немного ниже, примерно
на 0.6МГц, из-за скатов аналоговых фильтров ПЧ тюнера

Китайские клоны имеют самую разную схемотехнику входных цепей,
обычно меняются схемы фильтров и их переключения и LNA.

В линуксе клоны rsp1a можно безболезненно использовать с
драйвером версии 3.07 и ниже, сразу несколько штук одновременно,
следующие версии драйвера проверяют серийные номера устройств (
а китайские клоны скопированы с самых старых версий rsp1a в
котором серийников в прошивке нет).
Установка официального драйвера
wget
https://www.sdrplay.com/software/SDRplay_RSP_API-Linux-3.07.1.run
chmod 755 ./SDRplay_RSP_API-Linux-3.07.1.run
./SDRplay_RSP_API-Linux-3.07.1.run
apt install soapysdr-module-sdrplay3
Однако здесь https://revspace.nl/Msi2500SDR ребята используют
драйвер mirisdr
Этот драйвер не учитывает схемотехнику переключения фильтров
rsp1a, и не управляет их переключением, так что он будет
работать только с клонами у которых диапазоны выведены на
отдельные разъемы или переключаются вручную.
3.1.1. Linux kernel driver
It appears
that the MSI2500 SDR is not usable with the default Linux
kernel driver. Not sure what the Linux kernel driver is
actually any good for anyway.
To uninstall
it (and avoid automatically loading it), do the following:
- remove the modules manually
sudo modprobe -r msi2500 msi001
- create a file
/etc/modprobe.d/blacklist-msi.conf
- contents should be
blacklist msi001
blacklist msi2500
3.1.2. Soapy SDR
Soapy SDR is
a driver framework for several SDR devices, read for example https://github.com/pothosware/SoapySDR/wiki
Support for
the msi2500:
- remove the modules manually
sudo modprobe -r msi2500 msi001
- create a file
/etc/modprobe.d/blacklist-msi.conf
- contents should be
blacklist msi001
blacklist msi2500
3.1.2. Soapy SDR
Soapy SDR is a driver framework for
several SDR devices, read for example https://github.com/pothosware/SoapySDR/wiki
Support for the msi2500:
- install the soapy 'miri'
driver:
sudo apt install soapysdr-module-mirisdr
- try to find it with
SoapySDRUtil
SoapySDRUtil --find
should result in (for example):
Found device 3
driver = miri
label = Mirics MSi2500 default (e.g. VTX3D card)
miri = 0
or
Found device 4
driver = soapyMiri
index = 0
label = Mirics MSi2500 default (e.g. VTX3D card) :: 00000001
manufacturer = Mirics
product = MSi2500
serial = 00000001
- try to open with
SoapySDRUtil
SoapySDRUtil --probe="driver=miri"
or
SoapySDRUtil --probe="driver=soapyMiri"
Airspy
Приемник использующий тюнер RTL820, но чип ADC-DSP 12 бит.
Большое количество программируемых выводов GPIO и входы АЦП.
На дополнительных выводах АЦП можно реализовать direct sampling,
но для этого надо прошивать приемник и использовать измененную
extio.dll
Using
a direct sampling enabled Airspy as a Panadapter for a Yaesu
FTDX-5000 (rtl-sdr.com)
WW1L:
Airspy ADC1 HF - without HF upconverter (dxers.info)
По использованию GPIO я инфы не нашел.
HACKRF
Широкополосный трансивер (0-6000мгц, полоса до 20 мгц)
Использует доступную микросхему WiFi трансивера и перенос
сигнала дополнительным сммесителем.
Выходная мощность на графике (от 31 мвт внизу диапазона и ниже)
Часто горят входные\выходные усилители.
Что касается чувствительности то по сравнению с немного более
дорогими клонами RTLка неплоха, на самодельную 4-х элементную
яги она ловит UHF-SATCOM, а на обычные тв-усы принимает
метеоспутники NOAA
Ниже скрины с приемом одних и тех же сигналов на одни и те же
антенны разными клонами.
Пример разницы в динамическом диапазоне 8 и 12 бит.
Пример чувствительности разных дешевых сдр
KIWI SDR
Сетевой кв DDC сдр приемник, АЦП LTC2248 14-bit 65 MHZ, сигнал
обрабатывается Xilinx Artix-7 A35 FPGA, которая может либо
отрисовать водопад и отдать звук (и декодированные данные,
например есть встроенные декодеры разных сигналов) четырем
пользователям, или отдать звук без водопада 16 пользователям.
FPGA отдает звук и водопад в веб-сервер на beaglebone black по
gpio spi. Есть вход для GPS антенны для стабилизации тактового
генератора и добавления временных меток для TDOA пеленгации.
Приемник не может отдать полную полосу выхода ацп 0-30 мгц,
можно только послушать в браузере демодулированный сигнал.
Проектировался он наверно как обзорный приемник для
радиолюбителей который можно послушать со смартфона или планшета
когда ты не в шеке, но вебсдр - не особо популярный ресурс,
поэтому эти приемники выставляют в большой интернет, и их
ресурса в 4 пользователя вполне хватает, очень редко можно
наткнуться на полностью занятый приемник.
Приемник уже не выпускается, и стоит неоправданно дорого сейчас,
особенно с учетом того что его можно только послушать 4-м людям,
а вот записать всю полосу КВ например - нельзя.
Недавно была анонсирована новая версия, автор буквально заменил
микросхемы которые уже не продаются, и переделал вход,
ограничения все те же - 4 пользователя, beaglebone как сервер.
По мне обычный Openwebrx куда лучше.
UPD по R828
Купил свисточки по 600 рублей с тюнером r828.

Сатком ловят на тв антенну без усилка (по сути ненастроенный
диполь), и почти не имеют шпуров на этх частотах
.
Также имеют выведенные контакты Q-branch direct sampling.
Конечно для нормальной ловли кв нужен услитель и фнч на 0-14 или
14-28 мгц, а лучше-перестраиваемый фильтр.