Радиоастрономия.
К сожалению у меня нет места для хранения и установки больших
тарелок или стационарных крупных кв антенн выделенных специально под
астрономию, поэтому эта страничка-скорее планы\напоминалка на
будущее.
Для начала вспомним что первый человек занявшийся целенаправленным
изучением радиоизлучения неба был радиолюбителем - Грот Ребер.
Изначально радиоизлучение солнца обнаружил Карл Янский, занимавшийся
поиском источника помех радаров, но он просто зафиксировал этот факт
и не занимался картографированием интенсивности шума.
Ребер за свой счет построил 9-ти метровую параболу и несколько
приемников (первый, в 37 году был на 3ГГц, наиболее успешные
результаты получились на аппарате работающем на 160МГц.
Вот тут есть полный архив его бумаг, включая платежки рабочим
монтировавшим антенну, расчеты теормеха и чертежи. Я как обычно
ограничусь картиночками (я искал схемы его радио, все же 3Ггц
приемник в 1937 году интересен сам по себе, но пока не нашел).
https://www.nrao.edu/archives/collections/show/648

Антенна поворачивалась только по вертикали, по азимуту Ребер
использовал суточное вращение земли.
Приемник на 470МГц


Приемник 160МГц



Сначала Ребер вручную считывал показания амплитуды шума и записывал
напряжение выхода детектора

Потом купил и подключил самописец

Затем он пересчитывал угол подъема тарелки и время суток в
координаты на небе и наносил изолинии амплитуд многодневных записей.

После того как научное сообщество признало радиоастрономию и
выкупило у него тарелку он переехал в Тасманию, там построил
коротковолновую фазированную решетку и занимался наблюдением неба на
коротких волнах.

И другими прикольными штуками.

Radio Astronomy
(qsl.net)
Прием излучения Юпитера
Юпитер имеет мощную магнитосферу, которая взаимодействуя с потоками
заряженных частиц генерирует на разных частотах синхротронное
излучение.
Особый вклад в излучение вносит взаимодействие Юпитера со спутником
Ио, от которого к юпитеру идет мощный поток заряженных частиц. След
входа этого ионного канала в атмосферу даже виден в виде отдельного
пятна сияния на полюсе.


Соответственно поток заряженныч частиц от Ио взаимодействуя с
магнитным полем дают хорошо прогнозируемые вспышки радиоизлучния.
Так как излучение имеет синхротронный характер оно идет не во все
стороны а в виде полых конусов от полярных регионов планеты. Чем
ниже частота-тем шире раскрыв конуса.



Сигналы имеют широкий спектр, но в основном любители используют
диапазон 21-29мгц. Антенна может быть любой, желательно
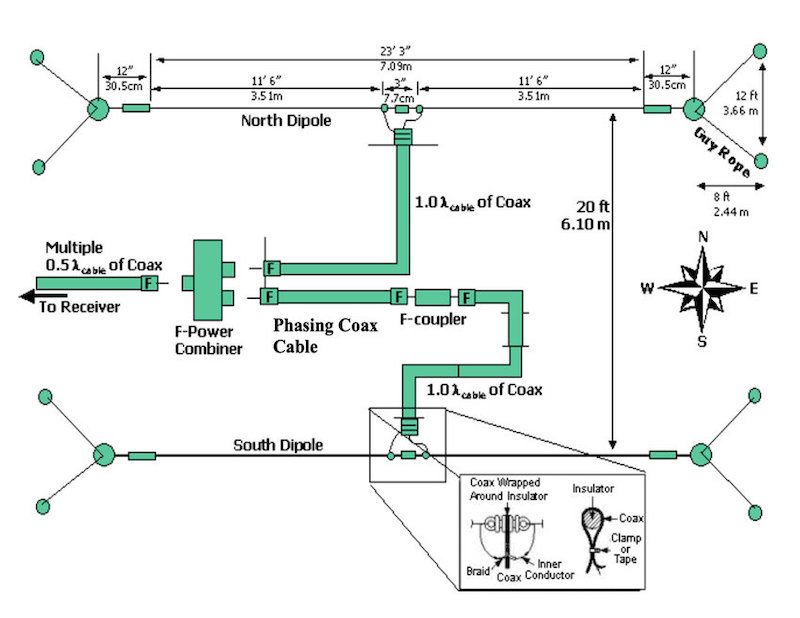
направленной, но обычно используют два сфазированных диполя.


Юпитер дает вспышки излучения которые условно поделены на типы S и
L, разница между ними показана на рисунке ниже.

Самое интересное - софт. Любители используют Radio-Sky Spectrograph,
передавая ему данные с SDR приемников по tcp-ip.

Так как rtl-sdr имеет полосу всего в 2,5мгц то в качестве
софта SDR используется програмка которая сканирует заданный
диапазон.

Если вы устанавливали драйвер для rtl обычным образом то скорее ни
rtl-tcp, ни rtl-wide spectrum свисток не обнаружат: необходимо
заменить на winusb также драйвер внутреннего хаба свистка.


Затем запускаем rtl wide spectrum и забиваем параметры которые
он спросит (усиление, центральную частоту и ширину полосы
сканирования)

Затем запускаем radio sky spectrum и выбираем в списке приемников
rtl wide spectrum

И жмем старт

Разумеется есть вариант работы и с SDRPLAY, у меня в 10 винде
завести его пока не удалось. Сыпет ошибками приведения типов.

Детектируется разумеется не только шум юпитера, но и космические
шумы других обьектов.
Солнечные вспышки


И даже вспышки обьетов типа кассиопеи а

Для прогнозирования вспышек (они же привязаны к движению Ио, хоть и
не все типы) существует программа Radio-jupiter Pro

Еще один объект за которым можно наблюдать по близкой методтке -
солнце.
https://www.spaceacademy.net.au/spacelab/projects/solras/solras.htm


Бикоз Раша из гей энд аутлов нау ай фак зе систем и положу здесь архивчик с радиософтом для юпитера
Amateur
Radio Astronomy: Overview of SDR Connections for Radio-Sky
Spectrograph (cygnusa.blogspot.com)
Amateur
Radio Astronomy: Radio-Sky Spectrograph works with Radio-Jupiter
Pro, (cygnusa.blogspot.com)
Radio Eyes
(radiosky.com)
Amateur
Radio Astronomy: New Way to Feed Radio-Sky Spectrograph with a
Dongle Receiver (cygnusa.blogspot.com)
Radio
(radiosky.com)
Прием излучения межзвездного водорода
I1NDP'S
Radio Astronomy
Тут все одновременно проще и сложнее.
Проще-потому что водород шумит постоянно, и расположен в известных
местах неба, ну конечно если не происходит каких-то экстраординарных
событий в ядре галактики.
Сложнее-потому что частоты выше.
Для приема голым rtl-sdr не обойтись, нужны дополнительные усилители
и фильтр как минимум.
Для того чтобы RTL-SDR почуял водород нужно пара усилителей с
суммарным усилением около 50дб и Кшума у первого усилителя не больше
1 дб (примерно)
МШу с Кш 0.2Дб
МШу попроще с Кш 0.5 Дб




Также для того чтобы диаграмма направленности на этих частотах (1420
МГЦ) была относительно узкой нужна тарелка побольше. Во вторых чтобы
сканировать небо неплохо бы сделать поворотное устройство для
тарелки (любителей принимать данные с метеоспутников таким сетапом
не напугаешь)


Что можно на такую технику-всратехнику наловить в космосе?
Ну например построить карту распределения водорода по небу.

Изображение региона формирования звезд в Лебеде
Обратите внимание на использованное железо.
Equipment:
1.5
- 1.9 meter radio telescope
Mini
Circuits LNA ZX60-ULN33+
Bandpass
filter 1200-1700 MHz
2nd
LNA
RTL-SDR
VirgoSoft

Наблюдать быстродвижущиеся облака водорода в галактике (по
допплеровскому смещению), тоже на 1,8 метровую тарелку.


И даже проверять теорию о темной материи
ПДФка Rotation
Curve with JRT (rtl-sdr.com)
В чем суть: вращение галактики сильно отличается от расчетного если
учитывать только наблюдаемую массу (звезды, газ, пыль). Выглядит так
будто галактика погружена в невидимое массивное облако материи
которая своей массой искажает гравитационный потенциал ядра.

И это вполне можно попробовать обнаружить, измерив допплеровское
смещение линии излучения водорода в разных направлениях в плоскости
галактики. И пересчитав скорости с учетом положения земли в
галактике и проекций направления вращения рукавов галактики на луч
зрения телескопа можно посчитать скорости вращения газа.


Detecting
Interstellar High-Velocity Clouds with a Radio Telescope and an
RTL-SDR
Imaging
the Cygnus Star Forming Region with an RTL-SDR and Amateur Radio
Telescope
Job’s
Radio Telescope: Hydrogen Line Northern Sky Survey with RTL-SDR
Using
an RTL-SDR to Measure the Basis for the Dark Matter Hypothesis
Imaging
the Milky Way in Neutral Hydrogen with an RTL-SDR
Rotation
Curve with JRT (rtl-sdr.com)
Virgo software (копия на сервере)
Тут можно вспомнить дистанционно управляемый по интернету
любительский радиотелескоп PICTOR, доступный всем желающим.
https://pictortelescope.com/
Телескоп представляет собой 1,5м тарелку прикрученную к серийной
моторизованной астрономической монтировке с goto (по крайней мере
раньше был, сейчас он просто смотрит в зенит, вероятно из-за того
что держать дорогую монтировку с точной механикой на улице - не
самая лучшая мысль, да и астрофоткать тогда на что?)

Блок-схема

Gnu radio граф.

Прием пульсаров.
Наверно самое сложное. Во-первых софт это обычно самописное нечто,
во-вторых очень широка полоса частот, в третьих довольно слабый
сигнал.
Пульсар это быстро вращающаяся (кажется до 500 оборотов в секунду!)
неитронная звезда с сильным магнитным полем, окруженная плазмой.
Соответственно при быстром движении магнитного поля возникает
синхротронное излучение, которое распространяется в пределах узких
конусов.

Волны плотности газа производимые вращением джетов пульсара

Если в эти конусы излучения попадает земля то мы можем
наблюдать короткие вспышки широкополосного радиоизлучения. Поскольку
сила сигнала невысока то приходится записывать i\q файл и затем
автокорреляцией искать в нем импульсы.
Используются разные типы антенн и полосы частот. 400 МГЦ,
1ГГЦ, Параболы от 2 до 21 метра, антенны Уда-Яги, уголковые
рефлекторы.


Любители умудряются обнаруживать даже глитчи пульсаров (это резкое
изменение частоты вращения звезды, происходящее из-за процессов в
коре звезды).

Detecting
Pulsars (Rotating Neutron Stars) with an RTL-SDR
PULSARS (qsl.net)
HawkRAO
(google.com)
I1NDP'S Radio
Astronomy, Pulsar Observation
I1NDP'S Radio
Astronomy, Pulsar Observation
Интерферометры
С помощью самодельного интерферометра на частоте 406МГЦ любители
смогли засечь радиоисточник в галактике Дева А (см ссылку ниже, я
утащил оттуда немного картинок.
Detection
of Virgo A - Radio Astronomy (DM2) (google.com)
Interferometry
- Radio Astronomy (DM2) (google.com)
Да, это та самая галактика ядро которой недавно фотографировали
планетарным интерферометром. В оптике (но не только в ней) знаменита
гигантским джетом бьющим из ядра.



Интерферометр автора представлял собой две сдвоенные антенны уда-яги
разнесенные на 30 метров, снабженные усилителями. Сигналы с них
сводились в обычный сумматор и считывались приемником, сканирование
неба исполнялось вращением самой земли :)


Принцип работы прост. Пока в поле зрения антенн нет точечных
источников излучения сигнал на выходе примерно постоянен.
Как только вращение земли проводит диаграмму направленности их по
компактному радиоисточнику сигналы от него в зависимости от угла
поворота антенной решетки (земли) приходят на антенны то в фазе, то
в противофазе. Соответственно в сумматоре синалы от двух антенн либо
складываются (когда в фазе) и получается высокая амплитуда на
выходе, либо вычитаются и гасят друг друга (противофаза), и
получается маленькая амплитуда.
Ниже график амплитуды сигнала при "проезде" антенной по Крабовой
туманности.


А вот тест интерферометра по Деве А


Сайти автора вообще интересны, т.к. он еще и наблюдал за
ионосферными явлениями и ELF
Radio
Astronomy (DM) (google.com)
Radio
Astronomy (DM2) (google.com)
РСДБ
Выше был пример простейшего интерферометра. Расстояние между
антеннами всего 30 метров, что позволяет сводить их сигналы в один
сумматор на базе интерферометра (линии между антеннами), который
здесь выполнят функции коррелятора. Во-первых такой интерферометр
обмеряет интерференционную картину на базе только в одной точке,
хотя информацию несут уровни сигнала на всем протяжении базы. Можно
поставить несколько физических сумматоров с детекторами, как в локе
коррелятора на риснке ниже, но проще записывать сигналы с разных
антенн отдельно с метками точного времени, а корреляции между ними
расчитывать на компьютере.

Благодаря этом можно разнести приемники очень далеко, на разные
континенты, записывать сигналы в файлы с метками точного времени, а
потом собирать файлы в одном месте через интернет (а раньше их
возили на магнитных лентах) и обрабатывать их оффлайн.
То есть строим интерференционную картину сигналов между двумя
антеннами

Собираем множество таких картин поворачивая антенную систему. Это
дает двумерную интерференционную картину.

А затем применяем к этой картине двумерное преобразование
Фурье и получаем изображение источника.
Что интересно - в оптическом телескопе линза объектива выполняет
двумерное преобразование Фурье дифракционной картины волн падающих
на нее в изображение.


Пример работы коррелографа

Менее абстрактный пример



Грубо говоря если мы вращаем интерферометр из двух антенн на 90
градусов и в процессе складываем виртуальные дифракционные картины с
учетом угла поворота, то построение картинки будет выглядеть
так.

Затем обрабатываем картину чтобы избавиться от остаточной
интерференции.
Простой пример связи интерференционной картины и источника.


Я нашел как минимум один любительский проект, работавший на УКВ,
дошедший до построения корреляций в относительно широкой полосе
частот.. Правда разнос между антеннами был не особо велик, но
использовался вполне профессиональный софт.
Amateur
radio interferometry - Interferometer data collection Part 1:
Observation data collection (google.com)
Софт для обработки данных
CASA (Common Astronomy Software Application)
casa_cookbook
(nrao.edu)
AIPS AIPS
CookBook short table of contents (nrao.edu)
AIPY GitHub -
HERA-Team/aipy: Astronomical Interferometry in PYthon (AIPY)
Эффект Аскарьяна (наблюдения любителями пока не проводились)
Неитрино сверхвысоких энергий взаимодействуя с веществом генерирует
электромагнитное излучение в диапазоне радио и микроволн.
Эффект был предсказан в 68 году, но только в 02 начали ставить опыты
с регистрацией соответствующих радиоволн генерируемых в крупных
объемах материала облучаемого ускорителем.

Собственно радиосигнал генерируется не самим неитрино. Неитрино
врезается в ядро какого-либо атома, и выбивает из него пучок
заряженных частиц, электронов и позитронов. При этом их количество
не равно, различается примерно на 20% в пользу отрицательного
заряда, и они дальше пролетают в среде какое-то расстояние. По сути
в среде возникает импульс электрического тока который сам по себе
генерирует широкополосный ЭМ импульс, как и все частицы движущиеся с
ускорением, в данном случае с отрицательным, т,к, частицы тормозятся
средой. В средах с разной плотностью эти частицы пролетают разный
путь. ЭМ излучение с длинами волн сильно меньше длины пролета
интерферирует деструктивно из-за того что к приемной антенне сигнал
от разных участков пучка приходит не в фазе, а вот радиоизлучение с
длинами волн длиннее длины пучка приходит синфазно и его амплитуда в
антенне получается высокой. Соответственно в средах с высокой
плотностью пик радиоизлучения будет приходиться на высокие частоты,
а в газах будет в основном генерироваться низкочастотное излучение.
Например для песка это 2ГГц, для соли 5 ГГц, для атмосферного
воздуха 30-80МГц.
В атмосфере это излучение дополняется тем что заряды в пучке
разводятся в разные стороны магнитным полем земли (геомагнитное
излучение), и возникает вторая компонента радиосигнала, с
поляризацией радиоволн перпендикулярно силовой линии магнитного поля
земли.


Более подробная модель излучения от атмосферного ливня частиц.

Модель направленности радиосигнала от атмосферного ливня

Для разных материалов максимум излучаемой энергии приходится на
разные частоты, но излучение очень широкополосно.
Пример-спектр событий зарегистрированных обсерваторией ARA (на самом
деле у некоторых материалов пики приходятся на 5ГГц).

Интересный опыт по регистрации радиоизлучения вызванного неитрино в
Антарктиде, запуская на гелиевом шаре детектор радиоизлучения ANITA.
Он кружил над льдом Антарктиды и регистрировал излучение
сгенерированное во льду.

Обсерватория совершила 4 полета в 06-14 годах и были получены
реальные результаты.

Фото обсерватории во время теста на объеме льда облучаемом
ускорителем

Было несколько попыток использовать как детектор неитрино верхний
слой грунта Луны, используя радиотелескопы.
Сейчас в долине Тунка рядом с Байкалом работает неитринная
обсерватория TAIGA состоящая из множества детекторов разных типов на
одной площадке, совмещая их данные. Инструмент TAIGA-REX использует
радиоизлучение эффекта Аскарьяна определяя направление прилета
неитрино с такой же точностью как и оптические атмосферные датчики
Черенковского излучения.
Инструмент наблюдает в полосе 30-80МГц, сигналы с апериодических
рамок позле полосовых фильтров оцифровываются 12 битным 200MSPS ацп.

Одна из антенн TAIGA-REX