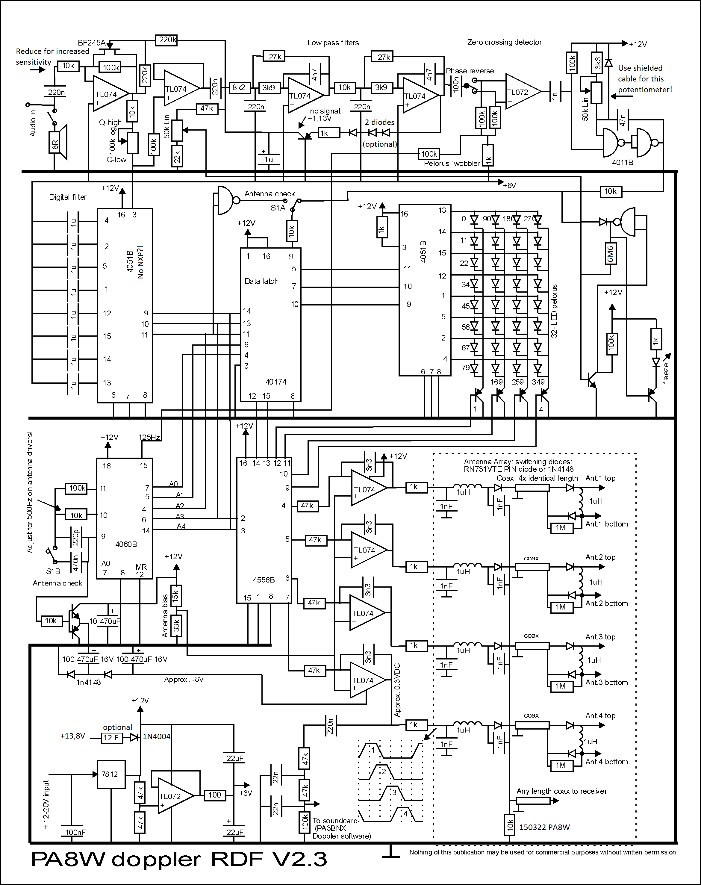
Псевдодопплеровский пеленгатор - штука довольно простая, электронная
его часть может быть собрана даже на рассыпухе (потребуется нч
генератор, счетчик и диоды).


Принцип прост. Если антенну ЧМ приемника закрепить на вращаюсемся
рычаге ( около тысячи оборотов в минуту), то за счет эффекта
допплера при вращении антенны будет возникать изменение частоты.
Максимальное-когда антенна движется по кругу по направлению к
или от передатчика, и нулевое когда антенна движется перпендикулярно
этому направлению.

Если к валу этой антены подключить датчик угла повортоа, а с ЧМ
приемника снимать аудиосигнал (а у ЧМ приемника выходное напряжение
на удиовыходе зависит от девиации ЧМ) то если измерить сдвиг фазы
между сигналом с датчика положения антенны и с аудиовыхода приемника
то можно определить направление прихода радиоволны.

Пример сигналов на выходах при разных углах прихода волны.

Конечно тяжелая антенна крутящаяся на метровом валу с частототой в
60000 оборотов в минуту - не особо надежная и безопасная вещь, но
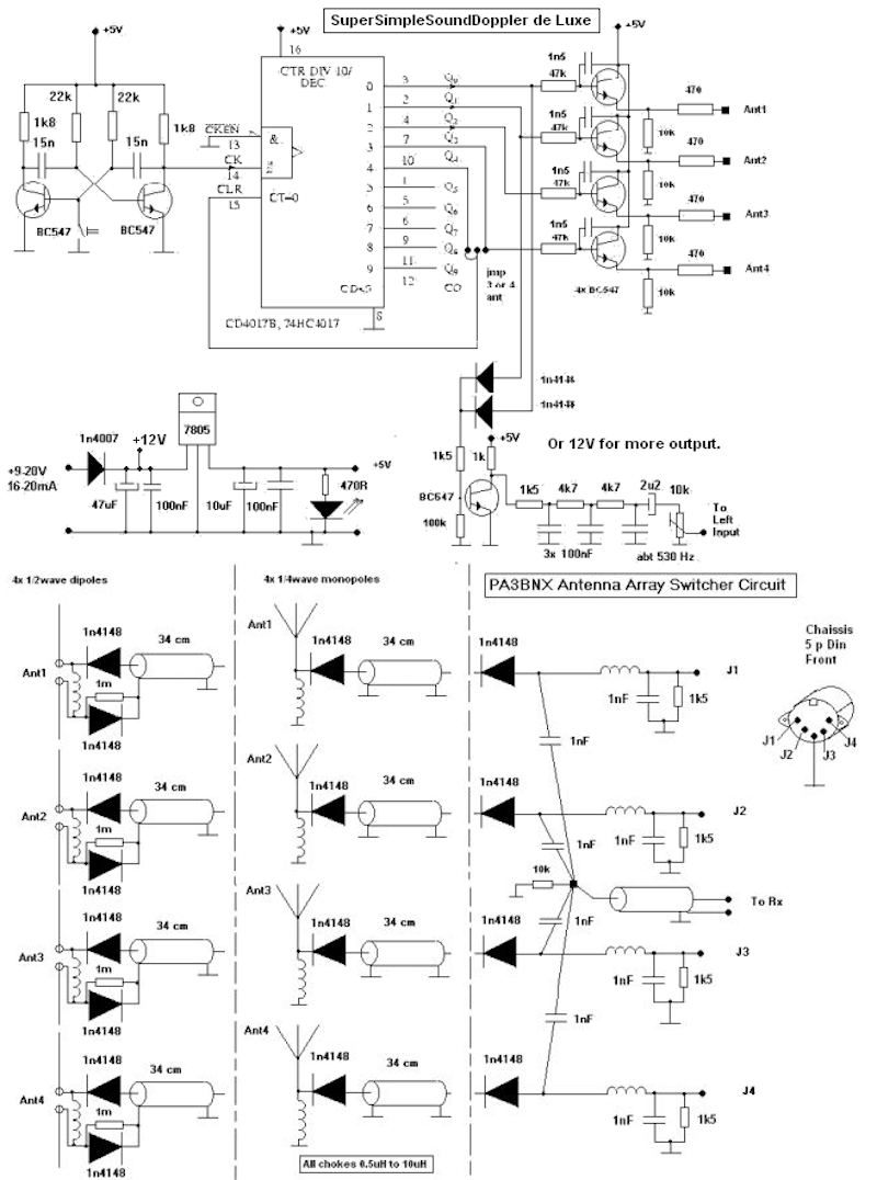
можно сымитировать ее с помощью нескольких антенн установленных на
равном расстоянии от центра, переключаемых с помощью быстрых
коммутаторов (явно не реле).

Посмотрим на напряжения на выходах антенн пеленгатора в поле сигнала

Если мы будем с высокой скоростью подключать антенны почередно к
приемнику то на его входе напряжение будет примерно таким.

Фаза принимаемого сигнала будет изменяться по-разному в зависимости
от угла падения сигнала на антенную систему пеленгатора.

Поскольку фазовая модуляция вызывает девиацию частоты, то уровень
выходного сигнал с ЧМ приемника, его полярность и фаза будут
зависеть от направления прихода волны, а частота НЧ сигнала несущего
информацию о направлении будет равна частоте вращения антенны.
Выходной сигнал чм приемника пропускается через узкополосный фильтр
с частотой равной частоте вращения виртуальной антенны
Блок управления антеннами также вырабатывает синхросигнал со
скважностью 50% который может преобразовываться дальше в синус, для
сравнения с сигналом от приемника прошедшим через узкополосный
фильтр
Обратите внимание что можно легко увеличить количество приемных
антенн не меняя ничего в детекторе направления

Таким образом задача электроники пеленгатора - найти разность фаз
между опорным сигналом переключения антенн и сигналом с выхода
приемника. Такое устройство можно сделать даже без
микроконтроллеров.


Или выпускаются промышленно в виде приставок

Или с цифровым дисплеем показывающим азимут в градусах
http://rfanat.ru/peleng/dfs_by_sm0vpo.html

ардуина тащит и подавно.

Ткже есть програмка для windows работающая только лишь с
аудиовходом. На левый канал подается сигнал с приемника
подключенного к антенне с коммутатором, на правый - НЧ синхросигнал
от генератора импульсов коммутатора.

Архив с
софтом(в cab архиве также есть прошивки для коммутаторов и полных
пеленгаторов на ардуино)
Програмка работает, очевидно нужна звуковая карта со стереовходом,
амеры писали что баофенг плохо работает из-за DSP, но УМВРЧЯДНТ

Схемы коммутаторов
Для тех кто любит паять на рассыпухе но не любит программировать.

Для тех кто любит попрошивать ардуину и не умеет паять есть готовые
коммутаторы ВЧ на алике

Даже для хакрф сделали отдельную плату свитча с управлением от gpio
hackrf

У меня планы сделать выносной блок антенн подключаемый одним
кабелем.

Важные мелочи
Отключение кабеля антенны с двух концов.
Если отключать только ближний конец кабеля идущего к антенне то в
нем будет возникать стоячая волна, которая при подключении отрезка
кабеля к приемнику будет иметь фазу не соответсвующую принимаемому
сигналу, а учитывая что длины отрезков кабелей разомкнутых на конце
создают произвольные реактивности в точках запитки антенн то
отключенные антенны будут образовывать паразитные излучатели?
искажая диаграмму направленности включенной в данный момент антенны.
Варианта 2: Либо использовать более сложный коммутатор который будет
подключать кабель к 50омной нагрузке вместо приемника, либо
отключать кабель антенны диодами с обоих сторон.
Второй вариант рехнически проще.
И в идеале подавать на диоды обратное смещение для уменьшения
емкости переходов.

Жетское и мягкое переключение коммутатора.
Нетрудно заметить что отдельные коммутаторы предсавляют собой
обычные диодные смесители, смешивающие сигнал с антенны и
управляющий сигнал с частотой примерно 1 кгц и скважностью 25%.
И если в качестве управляющего сигнала использовать напрямую меандр
с крутыми фронтами с выхода логической микросхемы то его
спектральные составляющие будут смешиваться с сигналом с антенны
образуя побочные каналы приема и сильно понижать чуствительность
пеленгатора, плюс пеленгатор будет "слышать" сигналы в широкой
полосе. Чтобы этого не произошло достаточно поставить интегрирующие
конднсаторы после ограничивающих резисторов, которые будут
сглаживать фронты сигнала, в идеале срезать спектр до 1-2кгц.
Также на чувствительность и точность положительно влияет некоторое
перекрытие сигналов с антенн, т.е. включать следующую антенну до
того как полностью отключилась предыдущая.

https://radiodirectionfinding.wordpress.com/wat-is-een-amplitude-rdf/
https://radiodirectionfinding.nl/RDF41.html
https://a43.veron.nl/projecten/doppler-peiler-pseudo-doppler-radio-direction-finder-rdf/
http://www.homingin.com/newdopant.html
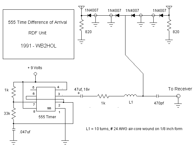
Простая версия такой штуки , для "охоты на лис" еще проще, и по сути
может быть собрана из мультивибратора на транзисторах, четырех
диодов и пары деревях.
http://theleggios.net/wb2hol/projects/rdf/tdoa2.htm




Направление на источник определяется по пропаданию тона модуляции на
выходе приемника, если же антенна повернута относительно фронта
волны то ее выходной сигнал будет промодулирован ЧМ с частотой
переключения антенн и громкостью зависящей от угла поворота. Чем
больше отклонение-тем громче. Ну и у такой антенны два минимума.
Чуть более сложная схема позволяет показать угол отклонения. Грубо
говоря если блок переключает антенны с правой на левую, и при этом
на выходе приемника отрицательная полуволна НЧ напряжения, значит
левая антенна дальше от источника сигнала, если при переключении
приемника положительная волна НЧ - значит левая антенна ближе. А чем
больше амплитуда - тембольше угол отклонения.

Определение элевации псевдодопплером.
Можно заметить что при опеделенных условиях и дополнительных
калибровках псевдодопплеровский пеленгатор может определять
вертикальный угол прихода сигнала.
Происходит тут то же самое что и в примитивном двухантенном
пеленгаторе, при падении сигнала не вдоль плоскости расположения
антенн а сверху изменяются сдвиги фаз на отдельных антеннах
пеленгатора, соответственно при переключении антенн изменяется
максимальная разность фаз, а соответственно и громкость паразитного
тона модуляции.
Надо заметить что громкость зависит от установленной громкости на
приемнике и от соотношения длины волны принимаемого сигнала и
разноса антенн (а он меняется при перестройке по частоте, если
конечно после кажной перестройке не сдвигать\раздвигать антенны),
так что метод требует дополнительных калибровок.


АМ пеленгатор.
В оригинале ам пеленгатор тоже имеет вращающуюся антенну с
кардиоидной ДН, но ее тоже можно заменить на несколько переключаемых
антенн, и что интересно - при быстром переключении направленных
антенн и использовании АМ приемника остальное железо (коммутатор и
детектор направления\ПО) может быть то же что и с допплеровским
детектором (за исключением того что в ЧМ пеленгаторе датчик должен
искать точку пересечения нуля в выходном сигнале премника, а в АМ -
минимальное выходное напряжение на детекторе).
Угловая частота переключения антенн должна быть не выше полосы
пропускания приемника (как в ам так и в чм сигнале)

Пример зависимостей выходных напряжений ам приемника и датчика
сигнала от направления прихода сигнала.

При использовании антенн разного усиления глубина АМ модуляции
сигнала будет различной, обработчик сигнала должен это учитывать.

При использовании набора переключаемых антенн уровни напряжений на
выходах будут зависеть так.

При быстром переключени антенн мы получаем АМ сигнал, после
сглаживания и интерполяции которого нулевое значение сигнала укажет
направление на источник сигнала. У АМ пеленгатора есть жирные плюсы
- он нетребователен к расстоянию между антеннами (у допплера -
максимум треть волны), нетребователен к равенству длин кабелей
идущих к антеннам, работает с широкополосными сигналами.

На УКВ приходится либо использовать одну антнну с четырьмя
подключаемыми отражателями


Использовать хитрые конструкции направленных антенн

Такой пеленгатор можно построить и на КВ

И тут можно заметить что для обоих вариантов пеленгатора (ам и чм)
выходные напряжения приемника и датчика поворота одинаковые, т.е при
смене антенн на направленные и приемника с чм на ам остальные
параметры не меняются, можно использовать тот же коммутатор и блок
анализа сигнала.
Впрочем ничто не мешает на очень высоких частотах, где антенны
миниатюрные и легкие крутить антенну. Так было сделано в
Naxos-немецком детекторе радарного облучения на 2-3ГГц
Антенны-диэлектрические стержни


Вращающаяся антенна в работе

Индикатор

Индикация направления прихода сигнала

Еще один тип пеленгации, который использовался в старых
пеленгаторах, типа таких - амплитудно-фазовый.
Принцип прост. На антенную систему из двух перпендикулярных
вибраторов падающая радиоволна будет наводить напряжения
пропорциональные проекциям этих вибраторов на направление прихода
сигнала, ну и фаза будет зависеть от направления прихода волны. Как
в случае горизонтальных диполей,так и в случае приемных рамок.


Изначально сигналы с антенн анализировали гониометром с двумя
перпендикулярными катушками на статоре, к которым подключались
внешние антенны, и одной поворотной катушкой к которой подключен
приемник.


Вид механического гониометра (это автоматический, в котором стоит
мотор который поворачивает датчик на минимум сигнала)

Старые приемники-пеленгаторы



Такая штука на низкие частоты может быть сделана на коленке

Я собрал простой гониометр, у этого устройства есть пара проблем.
Во-первых, низкая индуктивная связь между катушками, что приводит к
высоким потерям и высоким значениям индуктивностей всех катушек, что
приводит к паразитным резонансам, по итогу без проблем эта штука
работает мгц до 3-4, дальше вылезают резонансы и емкостные связи.

Из-за асимметрии обмоток катушкек на ВЧ характеристики устройств
разняться на частотах выше 5мгц при повороте на 180 градусов (должны
быть одинаковые)

Чтобы обойтись без механического радиогониометра такого пеленгатора
нужен специфичный приемник, по сути 2 одинаковых ам приемника
перестраивающиеся одновременно, с синхронными гетеродинными
сигналами

раньше сигнал с приемников выводился на экран осциллографа как в
пеленгаторе р359, рисуя наклонную линию на экране, соответствующую
направлению прихода сигнала

Компактные старые пеленгаторы использовали двухстрелочные
индикаторы.

Сейчас выход с такого приемника можно подать на линейный вход
компьютера и настроить программу spectrum lab на работу с такой
системой, он будет расцвечивать на спектре сигналы в соответствии с
направлением прихода сигнала.

Цвет линии будет отражать азимут прихода, а яркость - уровень.
