Катушки тесла

Разумеется меня интересовали катушки тесла, но было не очень понятно как работают эти штуки.
Но как-то раз я решил сделать для сиби-рации короткую спиральную антенну, и во время настройки, при минимуме ксв на конце спирали возник факел.




Тут я "все понял", и позже периодически делал эти штуки поиграться.
Катушка тесла это четвертьволновой спиральный резонатор. Если к  некоторому генератору вч подключить ненагруженную четвертьволновую линию (даже просто провод) то на его конце, за счет резонансных явлений возникнет напряжение гораздо выше чем в точке подключения к генератору (это касается и четвертьволновых антенн).
Если этот провод плотно скрутить в спираль то увеличится волновое сопротивление линии (за счет того что индуктивность возрастет) и сильно уменьшатся потери на излучение, соответственно напряжение на конце возрастет. И если в эту линию вкачать побольше мощи на резонансной частоте, то на конце линии закономерно возникнет пробой, а ЭМ поле генерируемое реактивной мощностью будет достаточно большим чтобы наводить заметные токи в металлических предмметах и ионизировать разреженный газ.



Линию можно завести и на более высоких резонансах, тогда максимум напряжения будет еще и в точке на 1\3 длины линии. Ну и на более высоких. Это грозит прожигом изоляции провода.



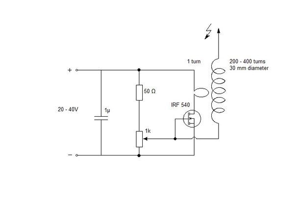
Самая простая схема-автогенератор. Самый жирный его плюс в том что не надо подстраивать частоту под катушку или наоборот-он автоматически генерирует на частоте резонанса катушки. Транзистор здесь рассеивает почти всю мощность, так что при мощном БП нужен очень хороший теплоотвод. Ну и нужно выбирать транзистор способный работать на частоте резонанса  (нч мощные транзисторы дешевле и распространеннее, так что для начала лучше мотнуть катушку побольше, ну или закупить irf 510, irf 630 итд).


Еще один момент. Если в генераторе используется mosfet то пучность тока смещается вверх по катушке, из-за влияния входной емкости транзистора. Соответственно вторичку стоит делать подвижной и при настройке двигать ее по первичке в поисках максимальной длины искр.


Пример, катушка вторички сдвинута вверх.


Я на такой схеме получал до сантиметра искры, но я особо не старался.




















Здесь слева направо: разрядник, газовый стабилизатор и счетчик Гейгера



Быстрая настройка
Т.Н Качер может быть запущен только с тестером в руках.
Сначала немного базы.
Первичную (низковольтную) катушку стоит мотать проводом потолще, или скруткой из нескольких проводов, на изолирующем каркасе который можно будет передвигать по высоковольтной катушке, потому что максимум "искрения" обычно получается когда первичка немного смещена вверх, видимо в область где соотношение ток\напряжение в высоковольтной катушке такой же как и в первичной).
Подключать первичную катушку  тоже толстыми проводами, которые прижаты друг к другу или немного скручены, чтобы площадь образуемая проводниками не создавала паразитную индуктивность.
В точке где от плюсовой шины отходит провод к первичке на минус кинуть пленочный или керамический конденсатор в несколько МКФ (это уменьшит вч сопротивление для вч токов и усилит мощность в катушке).
Вторичную (высоковольтную) катушку лучше мотать для первых экспериментов большую, на трубе 50мм диаметром длину намотки сделать см 30-50 для провода 0.2мм. Вообще примерная логика такая: дешевые мощные транзисторы обычно низкочастотные. Чтобы они завелись в схеме вторичка (резонатор) должен работать в идеале на частоте раз в 10 ниже граничной частоты транзистора. Длина волны резонатора примерно в 4  или больше раз больше чем длина провода. Так что намотав 30 метров мы получим 30х4=120 метров резонансную длину волны, частота 2,5МГц (реально еще ниже, из-за индуктивности спиральной линии, для точного расчета есть калькуляторы).
Вот катушка проводом 0.2мм на трубе 50мм, длина намотки около 50см, видна частота генерации (первая гармоника чуть ниже 1МГц).
ПРАВДА надо признать что почему-то в плане ИСКОРОК результат становится лучше при более коротких катушках, хз почему, может дело в резонансе первички.  Я к тому что ИНОГДА отматывание пары десятков витков делает искры заметно веселее.


Запуск.
Возьмем схему которая одинаково подойдет для биполярных и для mosfet транзисторов.
Транзистор обязательно на радиатор, иначе время работы катушки при 12 вольтах будет измеряться секундами. Радиатор прикручиваем к корпусу через какой-нибудь изолятор, потому что на нем будет + питания и ВЧ напряжение, хоть и невысокое. Ну или прикручиваем транзистор через изолирующую прокладку и проставку для винтика крепления, но это как-то не по колхозному.
Ставим переменный резистор в нижнее положение по схеме (чтобы на базе\затворе был ноль вольт), ОТКЛЮЧАЕМ высоковольтную катушку от базы\затвора чтобы транзистор не генерировал.
Подаем на нсхему питание через лампу накаливания или небольшой резистор, чтобы в случае чего ограничить ток, и через амперметр, и крутим плавно резистор вверх, пока не получим ток миллиампер 100-300 (очень примерные значения, возможно потребуется больше если у транзистора очень низкое усиление, а у ключевых транзисторов оно невысокое).
Отключаем питание, подключаем высоковольтную катушку, включаем питание, смотрим на ток, если он значительно вырос-катушка генерит, проверяем неонкой или диодами. Если ток такой же - переключаем выводы первичной катушки местами и включаем снова.
Для максимума искрения можно подобрать количество витков, и подвигать первичку по высоковольтной катушке вверх-вниз.


Вот эта схема с irf640 после всех телодвижений.
12В


19v




24v