У меня уже есть страничка посвященная старым девайсам, но там скорее ностальгия и контекст, здесь же будет немного файлов и приемов.
SL42/45/45i
Один из первых телефонов с mp3 и картой памяти. "Железо" у всех трех версий одно, они различались только комплектом поставки и прошивкой. Даже с последнй прошивкой понимает карты памяти далеко не все, но это просто лечится.
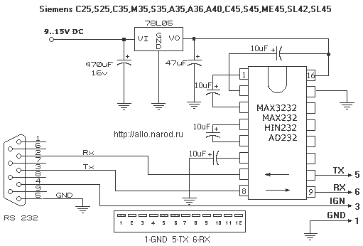
Сначала накатываем последнюю прошивку. Для этого понадобится кабель с rs-232. Впрочем можно собрать и из USB-UART реобразователя, работать будет.

Распиновка разъема


Прошивка 56 + содержимое MMC

Запускаем прошивальщик, в serial config ставим настройки (com port укажите ваш, очевидно), втыкаем кабель в ВЫКЛЮЧЕННЫЙ ЗАРЯЖЕННЫЙ телефон, тыкаем start, коротко жмем на клавишу отбоя на телефоне когда полоска Pre-check пройдет примерно половину пути или если на ней стоит skip тыкаем отбой сразу когда начнет заполняться полоска Connect mobile.


Далее спокойно наблюдаем процесс не вмешиваясь




Последнюю стадию Post-check оможно скипнуть и после завершения процесса, когда на последней стадии выкинет ошибку отсутствия связи с телефоном можно тело отключать от кабеля и включать.

Также из папки MMC content v56 из архива с прошивкой надо скопировать содержимое на карту памяти заменив содержимое на ней.

Как было сказано ранее даже в последней прошивке телефон не хочет видеть большие карты памяти и дружит не со всеми производителями. Это можно исправить за пару минут.
Ставим V_Klay 
Скачиваем патчи
SL45v56_MMC_2G_Support.vkp
big_mmc_support.vkp

Запускаем V_Klay,  выбираем модель телефона и способ загрузки лоадера Sl45 Turn on


Жмем refresh, после появления полоски жамкаем коротко отбой на выключенном телефоне


После чего текст над прогресс баром сменится на оповещение о попытке настройки скорости.


После того как соединение установится жамкаем кнопку открыть файл и выбираем нужные нам патчи.


Инфо о патче открывается в окне, жмем Apply patch и ждем завершения



После применения двух патчей выше мой sl45 стал видеть гигабайтную флешку кингстон.
А дальше экспериментируйте сколько хотите, даже если процесс прошивки или применения патча прервется, например из-за севшей батарейки телефону ничего не будет. После подзарядки батарейки можно будет повторить процесс без каких-либо изменений.
База патчей https://patches.kibab.com/patches/index.php5?ph_model=17&ph_sw=29&action=disp_patches
Русификатор
Автоматический разгон процессора вне режима ожидания

Наушники.
Можно конечно попытаться найти наушники 25 летней давности, но даже если они лежали в блистере их резина наверняка деградировала, да и сами динамики тогда были так себе.
Но до сих пор недорого продаются разъемы для этих телефонов.

Паяются они довольно легко.
Схема наушников для сименса вот






Также для того чтобы не плодить лишних болтающихся разъемов на проводах я по быстрому накидал корпус для разъема под 3д печать в который вклеивается миниатюрное гнездо на наушники 3,5мм
Siemens sl 45 headphones adapter

Осталось дождаться батарейку на 1500 мач и перепаковать нормально аккум, и можно ходить с ним слушая музыку.
Содержимое моей папки JAVA (папка JAM кидается внутрь папки JAVA на карте, несколько игр и читалки текста, сейчас приложухи для ч\б аппаратов не так легко найти)
Черно-белые bmp на обои главного экрана, тоже редкость.
Примеры
 
Содержимое архива положить в папку Bitmap на mmc карте.
Конвертер  mp3 учитывающий некоторые особенности работы с файлами sl45